| 卡片型主机 |
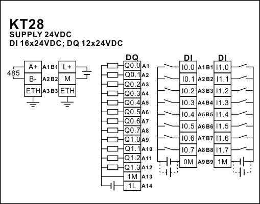
KR28/KT28 |
KR28XP/KT28XP |
数字量资源 |
16入12出继电器/晶体管 |
|
模拟量资源 |
- |
4入2出 |
以太网口 |
2路 |
|
485接口 |
1通道 |
|
程序空间 |
最大 50KB,编译有警告可无视 |
|
数据空间 |
16K |
|
电源电压 |
24VDC |
|
尺寸mm(宽x高x深) |
84 x 115 x 100 |
|
| 数字量模块 |
资源 |
组态选型 |
KM DE08 |
8输入 |
EM DE08(8DI) |
KM DE16 |
16输入 |
EM DE16(16DI) |
KM DR08 |
8继电器输出 |
EM DR08(8DQ Relay) |
KM DT08 |
8晶体管输出 |
EM DT08(8DQ Transistor) |
KM QT16 |
16晶体管输出 |
EM QT16(16DQ Transistor) |
KM DR16 |
8入8继电器出 |
EM DR16(8DI/8DQ Relay) |
KM DR32 |
16入16继电器出 |
EM DR32(16DI/16DQ Relay) |
KM DT16 |
8入8晶体管出 |
EM DT16(8DI/8DQ Transistor) |
KM DT32 |
16入16晶体管出 |
EM DT32(16DI/16DQ Transistor) |
| 模拟量模块 |
资源 |
组态选型 |
KM AE04 |
4(电压或电流)输入 |
EM AE04(4AI) |
KM AE08 |
8(电压或电流)输入 |
EM AE08(8AI) |
KM AE16 |
16(电压或电流)输入 |
EM DP01(DP) |
KM AQ04 |
4(电压和电流)输出 |
EM AQ04(4AQ) |
KM AQ08 |
8(电压和电流)输出 |
EM DP01(DP) |
KM AM06 |
4入2出(电压和电流) |
EM AM06(4AI/2AQ) |
KM AM12 |
8入4出(电压和电流) |
EM DP01(DP) |
KM AM16 |
8入8出(电压和电流) |
EM DP01(DP) |
| 温度模块 |
资源 |
组态选型 |
KM AR04 |
4路PT100输入 |
EM AR04(4AI RTD) |
KM AR08 |
8路PT100输入 |
EM AE08(8AI) |
KM AT04 |
4路K型热电偶 |
EM AT04(4AI TC) |
KM AT08 |
8路K型热电偶 |
EM AE08(8AI) |
KM AN04 |
4路NTC(10K,3950) |
EM AE04(AI4) |
KM AN08 |
8路NTC(10K,3950) |
EM AE08(AI8) |
KM AN16 |
16路NTC(10K,3950) |
EM DP01(DP) |
KM EN88-8AI8NTC |
8路模拟量输入,8路NTC |
EM DP01(DP) |
KM EN4C-4AI12NTC |
4路模拟量输入,12路NTC |
EM DP01(DP) |
| 型号 |
资源 |
软件组态 |
KB CM02 |
485通讯 |
SB CM01 |
KB DE04 |
数字量4输入 |
SB CM01 |
KB QR04 |
数字量4继电器输出 |
SB CM01 |
KB QT04 |
数字量4晶体管输出 |
SB CM01 |
KB DT04 |
数字量2入2晶体管出 |
SB DT04 |
KB AE01 |
1输入(电压或电流) |
SB CM01 |
KB AE02 |
2输入(电压或电流) |
SB CM01 |
KB AE04 |
4输入(电压或电流) |
SB CM01 |
KB AE06 |
6输入(电压或电流) |
SB CM01 |
KB AQ01 |
1输出(电压和电流) |
SB CM01 |
KB AQ02 |
2输出(电压和电流) |
SB CM01 |
KB AQ04 |
4输出(电压和电流) |
SB CM01 |
KB AM03 |
2 输入1输出(电压或电流) |
SB CM01 |
KB AM04 |
2 输入2输出(电压或电流) |
SB CM01 |
KB AM05 |
4输入1输出(电压或电流) |
SB CM01 |
KB AM06 |
4输入2输出(电压或电流) |
SB CM01 |
KB AR02 |
2路PT100温度采集 |
SB CM01 |
KB AR04 |
4路2线制PT100温度采集 |
SB CM01 |
KB AN04 |
4路NTC(10K,3950)温度采集 |
SB CM01 |
KB AN06 |
6路NTC(10K,3950) |
SB CM01 |
KB AT04 |
4路K型热电偶温度采集 |
SB CM01 |

